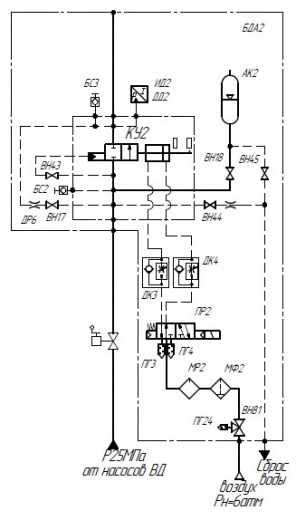
Характеристики
Ду, мм
—
150
Ном. давление, МПа (бар)
—
25 (250)
Управление
—
Пневматическое (Р=6 атм)
Возможность применения
—
Листопрокатный стан 2000
#PROP_TITLE#
—
#PROP_VALUE#
Документы

