Характеристики
Ду, мм
—
150
Ном. давление, МПа (бар)
—
25 (250)
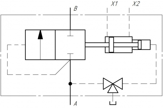
Управление
—
Пневматическое (Р=5 атм)
Возможность применения
—
Листопрокатный стан 5000
#PROP_TITLE#
—
#PROP_VALUE#
Документы

