Размер шрифта
Цвет фона и шрифта
Изображения
Озвучивание текста
Обычная версия сайта
УРАЛЬСКИЙ ИНЖИНИРИНГОВЫЙ ЦЕНТР
Полный комплекс услуг по разработке и реализации проектов
+7 351 7 753 753
+7 351 7 753 753
E-mail
tec@cheltec.ru
Адрес
г. Челябинск, ул. Рождественского, д. 6 
Адрес для писем: 454010, Россия, г. Челябинск, а/я 1806
Режим работы
Пн. – Пт.: с 9:00 до 18:00
Проектирование
  • Горно-металлургический комплекс
    • Металлургическая отрасль
  • Кузнечно-прессовое производство
    • Вспомогательное оборудование
    • Гидравлические ковочные прессы серии FPCH
    • Запорно-регулирующая и распределительная гидроаппаратура
    • Капитальный ремонт и модернизация прессов и манипуляторов с восстановлением основных базовых узлов и деталей
    • Ковочный манипулятор серии FMCH
    • Комплексные решения для кузнечно-прессового производства
    • Трубная разводка и монтаж
  • Машиностроительный комплекс
    • Капитальный ремонт и модернизация листогибочных машин
    • Компетенции для машиностроительного комплекса
    • Разработка, изготовление и поставка технологической линии сборки
  • Нефтегазовый комплекс
    • Компетенции для нефтегазового комплекса
Каталог продукции
  • Испытательные комплексы
  • Растяжно-обтяжной пресс/ Модернизация растяжно-обтяжного пресса
  • Кольцераскатный стан H160S
  • Линия подготовки анодов из катодов
  • Стенды для сборки-разборки валков прокатных станов
  • Пневматические и гидравлические цилиндры
    • Уплотнения
    • Инновационное хромирование вращающихся деталей
  • Серво и пропорциональные клапаны производства УрИЦ
    • Пропорциональные двухкаскадные распределители серии CH-JP/S
    • Сервоклапаны золотникового типа серии CH-SV, CH-SS
    • Сервоклапаны однокаскадные струйного типа серии CH-JP
  • Гидроаппаратура, системы и решения для управления водой высокого давления
    • Приводы прессов
    • Системы гидросбива окалины
    • Специальные клапаны для металлургии
  • Привод качания кристаллизатора МНЛЗ
  • Фильтрация, станции очистки, заправочные агрегаты
    • Фильтры и фильтроэлементы
    • Заправочные агрегаты
  • Мобильная техника
Услуги
  • Сервис
    • Aутсорсинг или сервисное обслуживание цехов предприятий
  • АСУ ТП
    • Автоматизированные системы управления технологическими процессами
  • Импортозамещение
    • Импортозамещение реально с УрИЦ
  • Монтаж гидрооборудования и трубопроводных систем
    • Монтаж гидрооборудования и трубопроводных систем
  • Проектирование
    • Комплексный инжиниринг и поставка «под ключ» сложных технологических объектов
  • Ремонт гидравлических и пневматических цилиндров
    • Ремонт гидравлических и пневматических цилиндров
  • Технический аудит
    • Технический аудит
  • Хромирование
    • Инновационное хромирование вращающихся деталей
  • Электрооборудование
    • Электрооборудование. Электромонтаж
Испытательные комплексы
Выполненные проекты
  • Испытательные комплексы
  • Кузнечно-прессовое производство
  • Металлургическая отрасль
  • Услуги
О компании
  • О компании
  • История
  • Сотрудники
  • Нам доверяют
  • Отзывы
  • Награды
  • Лицензии и сертификаты
  • Каталоги и презентации
  • Реквизиты
  • Патенты
  • Вакансии
  • Благотворительность
  • Промбезопасность и охрана труда
Пресс-центр
Обучение. Конференции
Контакты
ru
en
ru
УРАЛЬСКИЙ ИНЖИНИРИНГОВЫЙ ЦЕНТР
Полный комплекс услуг по разработке и реализации проектов
  • Отзывы
  • Лицензии
  • Новости
  • Презентация
  • Вопрос-ответ
  • Контакты
  • ...
    +7 351 7 753 753
    +7 351 7 753 753
    E-mail
    tec@cheltec.ru
    Адрес
    г. Челябинск, ул. Рождественского, д. 6 
    Адрес для писем: 454010, Россия, г. Челябинск, а/я 1806
    Режим работы
    Пн. – Пт.: с 9:00 до 18:00
    ru
    en
    ru
    Проектирование
    • Горно-металлургический комплекс
    • Кузнечно-прессовое производство
    • Машиностроительный комплекс
    • Нефтегазовый комплекс
    Каталог продукции
    Импортозамещение
    Импортозамещение
    • Испытательные комплексы
      Испытательные комплексы
    • Растяжно-обтяжной пресс/ Модернизация растяжно-обтяжного пресса
      Растяжно-обтяжной пресс/ Модернизация растяжно-обтяжного пресса
    • Кольцераскатный стан H160S
      Кольцераскатный стан H160S
    • Линия подготовки анодов из катодов
      Линия подготовки анодов из катодов
    • Стенды для сборки-разборки валков прокатных станов
      Стенды для сборки-разборки валков прокатных станов
    • Пневматические и гидравлические цилиндры
      Пневматические и гидравлические цилиндры
    • Серво и пропорциональные клапаны производства УрИЦ
      Серво и пропорциональные клапаны производства УрИЦ
    • Гидроаппаратура, системы и решения для управления водой высокого давления
      Гидроаппаратура, системы и решения для управления водой высокого давления
    • Привод качания кристаллизатора МНЛЗ
      Привод качания кристаллизатора МНЛЗ
    • Фильтрация, станции очистки, заправочные агрегаты
      Фильтрация, станции очистки, заправочные агрегаты
    • Мобильная техника
      Мобильная техника
    Услуги
    • Сервис
      Сервис
    • АСУ ТП
      АСУ ТП
    • Импортозамещение
      Импортозамещение
    • Монтаж гидрооборудования и трубопроводных систем
      Монтаж гидрооборудования и трубопроводных систем
    • Проектирование
      Проектирование
    • Ремонт гидравлических и пневматических цилиндров
      Ремонт гидравлических и пневматических цилиндров
    • Технический аудит
      Технический аудит
    • Хромирование
      Хромирование
    • Электрооборудование
      Электрооборудование
    Испытательные комплексы
    Выполненные проекты
    • Испытательные комплексы
    • Кузнечно-прессовое производство
    • Металлургическая отрасль
    • Услуги
    О компании
    • О компании
    • История
    • Сотрудники
    • Нам доверяют
    • Отзывы
    • Награды
    • Лицензии и сертификаты
    • Каталоги и презентации
    • Реквизиты
    • Патенты
    • Вакансии
    • Благотворительность
    • Промбезопасность и охрана труда
    Пресс-центр
    Обучение. Конференции
    Контакты
      УРАЛЬСКИЙ ИНЖИНИРИНГОВЫЙ ЦЕНТР
      +7 351 7 753 753
      +7 351 7 753 753
      E-mail
      tec@cheltec.ru
      Адрес
      г. Челябинск, ул. Рождественского, д. 6 
      Адрес для писем: 454010, Россия, г. Челябинск, а/я 1806
      Режим работы
      Пн. – Пт.: с 9:00 до 18:00
      УРАЛЬСКИЙ ИНЖИНИРИНГОВЫЙ ЦЕНТР
      Телефоны
      +7 351 7 753 753
      E-mail
      tec@cheltec.ru
      Адрес
      г. Челябинск, ул. Рождественского, д. 6 
      Адрес для писем: 454010, Россия, г. Челябинск, а/я 1806
      Режим работы
      Пн. – Пт.: с 9:00 до 18:00
      УРАЛЬСКИЙ ИНЖИНИРИНГОВЫЙ ЦЕНТР
      • Проектирование
        • Проектирование
        • Горно-металлургический комплекс
          • Горно-металлургический комплекс
          • Металлургическая отрасль
        • Кузнечно-прессовое производство
          • Кузнечно-прессовое производство
          • Вспомогательное оборудование
          • Гидравлические ковочные прессы серии FPCH
          • Запорно-регулирующая и распределительная гидроаппаратура
          • Капитальный ремонт и модернизация прессов и манипуляторов с восстановлением основных базовых узлов и деталей
          • Ковочный манипулятор серии FMCH
          • Комплексные решения для кузнечно-прессового производства
          • Трубная разводка и монтаж
        • Машиностроительный комплекс
          • Машиностроительный комплекс
          • Капитальный ремонт и модернизация листогибочных машин
          • Компетенции для машиностроительного комплекса
          • Разработка, изготовление и поставка технологической линии сборки
        • Нефтегазовый комплекс
          • Нефтегазовый комплекс
          • Компетенции для нефтегазового комплекса
      • Каталог продукции
        • Каталог продукции
        • Испытательные комплексы
        • Растяжно-обтяжной пресс/ Модернизация растяжно-обтяжного пресса
        • Кольцераскатный стан H160S
        • Линия подготовки анодов из катодов
        • Стенды для сборки-разборки валков прокатных станов
        • Пневматические и гидравлические цилиндры
          • Пневматические и гидравлические цилиндры
          • Уплотнения
            • Уплотнения
            • Грязесъемники
            • Направляющие кольца
            • Опорные кольца
            • Уплотнение поршня
            • Уплотнение ротора
            • Уплотнения штока
          • Инновационное хромирование вращающихся деталей
        • Серво и пропорциональные клапаны производства УрИЦ
          • Серво и пропорциональные клапаны производства УрИЦ
          • Пропорциональные двухкаскадные распределители серии CH-JP/S
          • Сервоклапаны золотникового типа серии CH-SV, CH-SS
          • Сервоклапаны однокаскадные струйного типа серии CH-JP
        • Гидроаппаратура, системы и решения для управления водой высокого давления
          • Гидроаппаратура, системы и решения для управления водой высокого давления
          • Приводы прессов
          • Системы гидросбива окалины
            • Системы гидросбива окалины
            • Блоки гидросбива окалины
            • Клапаны гидросбива
          • Специальные клапаны для металлургии
        • Привод качания кристаллизатора МНЛЗ
        • Фильтрация, станции очистки, заправочные агрегаты
          • Фильтрация, станции очистки, заправочные агрегаты
          • Фильтры и фильтроэлементы
            • Фильтры и фильтроэлементы
            • Принадлежности для фильтров гидравлических
            • Фильтроэлементы
            • Фильтры воздушные
            • Фильтры гидравлические напорные
            • Фильтры гидравлические сливные
            • Фильтры приёмные
          • Заправочные агрегаты
        • Мобильная техника
      • Услуги
        • Услуги
        • Сервис
          • Сервис
          • Aутсорсинг или сервисное обслуживание цехов предприятий
        • АСУ ТП
          • АСУ ТП
          • Автоматизированные системы управления технологическими процессами
        • Импортозамещение
          • Импортозамещение
          • Импортозамещение реально с УрИЦ
        • Монтаж гидрооборудования и трубопроводных систем
          • Монтаж гидрооборудования и трубопроводных систем
          • Монтаж гидрооборудования и трубопроводных систем
        • Проектирование
          • Проектирование
          • Комплексный инжиниринг и поставка «под ключ» сложных технологических объектов
        • Ремонт гидравлических и пневматических цилиндров
          • Ремонт гидравлических и пневматических цилиндров
          • Ремонт гидравлических и пневматических цилиндров
        • Технический аудит
          • Технический аудит
          • Технический аудит
        • Хромирование
          • Хромирование
          • Инновационное хромирование вращающихся деталей
        • Электрооборудование
          • Электрооборудование
          • Электрооборудование. Электромонтаж
      • Испытательные комплексы
      • Выполненные проекты
        • Выполненные проекты
        • Испытательные комплексы
        • Кузнечно-прессовое производство
        • Металлургическая отрасль
        • Услуги
      • О компании
        • О компании
        • О компании
        • История
        • Сотрудники
        • Нам доверяют
        • Отзывы
        • Награды
        • Лицензии и сертификаты
        • Каталоги и презентации
        • Реквизиты
        • Патенты
        • Вакансии
        • Благотворительность
        • Промбезопасность и охрана труда
      • Пресс-центр
      • Обучение. Конференции
      • Контакты
      • ru
        • Язык
        • ru
        • en
      • +7 351 7 753 753
        • Телефоны
        • +7 351 7 753 753
      • г. Челябинск, ул. Рождественского, д. 6 
        Адрес для писем: 454010, Россия, г. Челябинск, а/я 1806
      • tec@cheltec.ru
      • Пн. – Пт.: с 9:00 до 18:00

      Приводы прессов

      13
      Main
      —
      Product Catalog
      —
      Гидроаппаратура, системы и решения для управления водой высокого давления
      —Приводы прессов
      Фильтр
      По популярности (убывание)
      По наименованию (А-Я)
      По наименованию (Я-А)
      По популярности (возрастание)
      По популярности (убывание)
      По цене (сначала дешёвые)
      По цене (сначала дорогие)
      Фильтр
      Статус
      Показать:
      Выбрано: 0 Показать
      Выбрано: 0
      Ду, мм
      10
      Ном. давление, МПа (бар)
      32 (320)
      Управление
      электрическое
      Возможность применения
      Ковочный пресс, Штамповочный пресс двойного действия, Экструзионный пресс
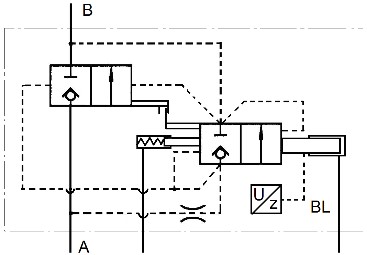
      Направляющий трехлинейный двухпозиционный клапанный гидрораспределитель 3/2-ГРНК10.320
      Приводы прессов
      Направляющий трехлинейный двухпозиционный клапанный гидрораспределитель 3/2-ГРНК10.320
      Под заказ
      Ду, мм
      70
      Ном. давление, МПа (бар)
      35 (350)
      Управление
      гидравлическое (масло P=15 МПа)
      Возможность применения
      Ковочный пресс
      Дросселирующий двухлинейный двухпозиционный клапанный гидрораспределитель 2/2-ГРДК70.350
      Приводы прессов
      Дросселирующий двухлинейный двухпозиционный клапанный гидрораспределитель 2/2-ГРДК70.350
      Под заказ
      Ду, мм
      32
      Ном. давление, МПа (бар)
      32 (320)
      Управление
      гидравлическое (масло P=16 МПа)
      Возможность применения
      Ковочный пресс, Штамповочный пресс двойного действия, Экструзионный пресс
      Новинка
      Двухлинейный двухпозиционный клапанный гидрораспределитель 2/2-ГР.К32.320
      Приводы прессов
      Двухлинейный двухпозиционный клапанный гидрораспределитель 2/2-ГР.К32.320
      Под заказ
      1 2
      Каталог
      • Испытательные комплексы
      • Растяжно-обтяжной пресс/ Модернизация растяжно-обтяжного пресса
      • Кольцераскатный стан H160S
      • Линия подготовки анодов из катодов
      • Стенды для сборки-разборки валков прокатных станов
      • Пневматические и гидравлические цилиндры
        • Уплотнения
          • Грязесъемники
          • Направляющие кольца
          • Опорные кольца
          • Уплотнение поршня
          • Уплотнение ротора
          • Уплотнения штока
        • Инновационное хромирование вращающихся деталей
      • Серво и пропорциональные клапаны производства УрИЦ
        • Пропорциональные двухкаскадные распределители серии CH-JP/S
        • Сервоклапаны золотникового типа серии CH-SV, CH-SS
        • Сервоклапаны однокаскадные струйного типа серии CH-JP
      • Гидроаппаратура, системы и решения для управления водой высокого давления
        • Приводы прессов
        • Системы гидросбива окалины
          • Блоки гидросбива окалины
          • Клапаны гидросбива
        • Специальные клапаны для металлургии
      • Привод качания кристаллизатора МНЛЗ
      • Фильтрация, станции очистки, заправочные агрегаты
        • Фильтры и фильтроэлементы
          • Принадлежности для фильтров гидравлических
          • Фильтроэлементы
          • Фильтры воздушные
          • Фильтры гидравлические напорные
          • Фильтры гидравлические сливные
          • Фильтры приёмные
        • Заправочные агрегаты
      • Мобильная техника
      Качество от профессионалов Качество  от профессионалов
      УрИЦ
      ваш надежный партнер на пути модернизации и развития.
      +7 351 7 753 753
      +7 351 7 753 753
      E-mail
      tec@cheltec.ru
      Адрес
      г. Челябинск, ул. Рождественского, д. 6 
      Адрес для писем: 454010, Россия, г. Челябинск, а/я 1806
      Режим работы
      Пн. – Пт.: с 9:00 до 18:00
      tec@cheltec.ru
      г. Челябинск, ул. Рождественского, д. 6 
      Адрес для писем: 454010, Россия, г. Челябинск, а/я 1806
      Услуги
      Сервис
      АСУ ТП
      Импортозамещение
      Монтаж гидрооборудования и трубопроводных систем
      Проектирование
      Ремонт гидравлических и пневматических цилиндров
      Технический аудит
      Хромирование
      Электрооборудование
      Каталог
      Испытательные комплексы
      Растяжно-обтяжной пресс/ Модернизация растяжно-обтяжного пресса
      Кольцераскатный стан H160S
      Линия подготовки анодов из катодов
      Стенды для сборки-разборки валков прокатных станов
      Пневматические и гидравлические цилиндры
      Серво и пропорциональные клапаны производства УрИЦ
      Гидроаппаратура, системы и решения для управления водой высокого давления
      Привод качания кристаллизатора МНЛЗ
      Фильтрация, станции очистки, заправочные агрегаты
      Мобильная техника
      Компания
      О компании
      История
      Сотрудники
      Нам доверяют
      Отзывы
      Награды
      Лицензии и сертификаты
      Каталоги и презентации
      Реквизиты
      Патенты
      Вакансии
      Благотворительность
      Промбезопасность и охрана труда
      Информация
      Пресс-центр
      .
      © 2025 УРАЛЬСКИЙ ИНЖИНИРИНГОВЫЙ ЦЕНТР
      Политика конфиденциальности